您好,欢迎来到广易科技!
加入收藏
联系我们
唐山广易科技有限公司
免费提供行业解决方案
咨询热线:
13703241269
首页
|
关于我们
|
产品中心
|
解决方案
|
客户案例
|
人力资源
|
联系我们
首页
走进广易科技
企业简介
公司新闻
荣誉资质
招贤纳士
联系我们
产品中心
遥测终端机
水文水资源遥测终端机RTU
工业无线传输模块DTU
一体化闸门控制终端机RTU
电池供电型终端机RTU
遥测终端模块RTU
智能触屏显示模块
以电折水数据采集终端机
传感器
土壤墒情传感器
雨量筒
雷达液位计
压力变送器
广易云平台
监控中心平台软件
产品定制开发服务
产品协议定制服务
解决方案
智慧水利
智慧城市
智慧能源
智慧农业
常见问题
联系我们
销售中心
生产基地
当前位置:
首页
>
解决方案
>
遥测终端机怎么接线
一、概述
遥测终端机是集数据采集、控制、存储、传输一体型设备,也可以拆分成终端机与4G模块分体式安装。
二、接线端子
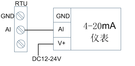
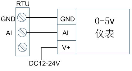
三、仪表信号线怎么连接到遥测终端机上
参数设置口的接线:将端子直接插入调试口就可以啦,不用的时候直接拔下来。即插即用,非常方便。
终端机的接线就介绍到这里啦!欢迎与我们沟通联系,唐山广易科技竭诚为您服务!
冀公网安备13024002000476号
冀ICP备20015628号